E-cig A9W01 display screen
We are e-cigarette PCB and PCBA solution provider. One-Stop service pcb boards. We can offer pcb and pcba copy clone design reverse engineering service.
We are e-cigarette PCB and PCBA solution provider. One-Stop service pcb boards. We can offer pcb and pcba copy clone design reverse engineering service.
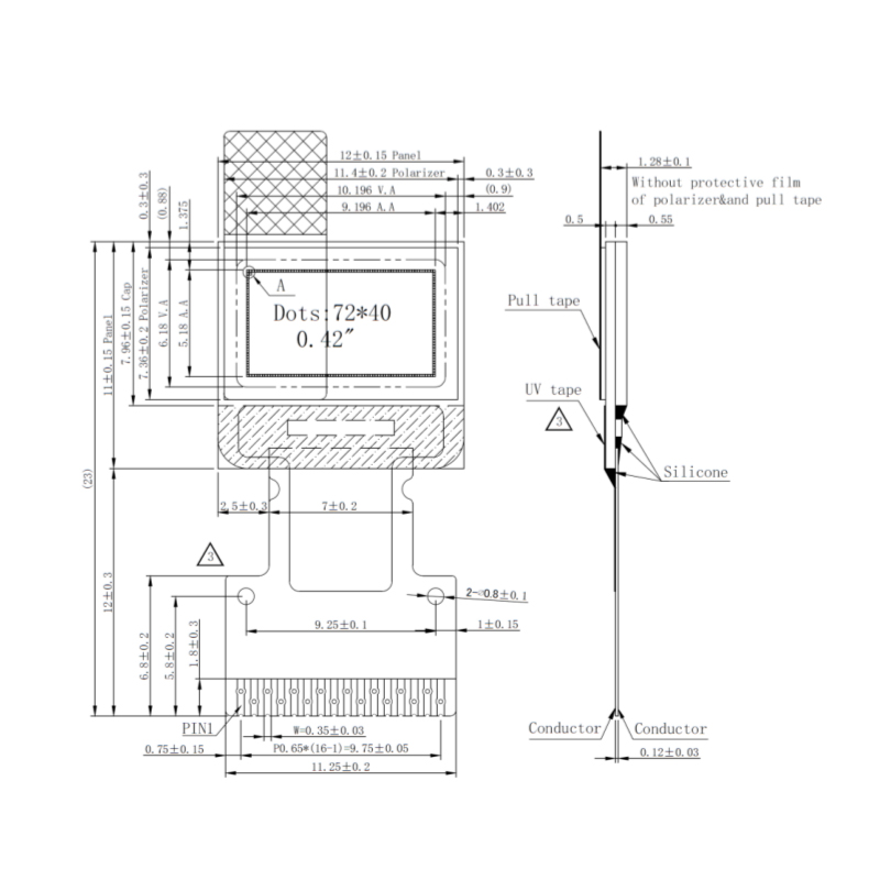
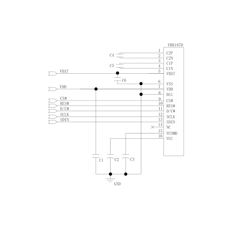
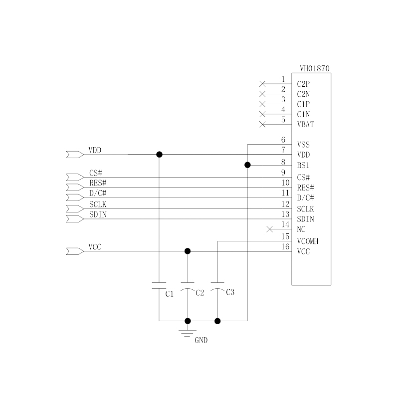
VGM072040A9W01 has a resolution of 72 × 40 monochrome OLED display module. The characteristics of this display module are high brightness, self illumination High contrast, slim and lightweight appearance, wide viewing angle, wide temperature range adaptation, and low power consumption. Features: Display color: white light Resolution: 72 × 40 Driver chip: SP8020 Interface mode: IIC, 4-wire SPI Working temperature range: -20 ℃ to 70 ℃ Storage temperature range: -30 ℃ to 80 ℃







Mechanical Data Resolution: 72 (W) × 40 (H) pixel size: 0.108 (W) × 0.11 (H) mm pixel spacing: 0.128 (W) × 0.13 (H) mm Opening rate: 71% A. Area A Size: 9.196 (W) × 5.18 (H) mm screen size: 12 (W) × 11 (H) × 1.05 (T) mm module size: 12 (W) × 23 (H) × 1.28 (T) mm A. Area A diagonal size: 0.42 inche module weight to be determined: ± 10% g